型號:YET-C2
類別:YET容積式注油機
名稱規格說明

1.榮獲歐盟CE認證。
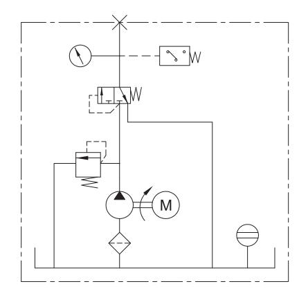
2.設有液位開關,可將液位異常訊號輸出。
3.設有馬達自我保護裝置,防止溫度過高而過載。
4.釋壓閥之定壓功能,可保護泵浦及管路減少損。
5.面板指示燈可顯示注油機之作動狀態(YET-C2)。
6.壓力開關可依據客戶要求而自由選配(YET-C2P2)。
7.設有“FEED”鍵,可強制潤滑。
8.最長潤滑時間≤2min,最短間歇時間≥3min。
適用范圍:
YET型機臺適用于機床、塑料、紡織、輕工、印刷和輸送器等機械設備的集中潤滑系統。

| 單相電壓 (VAC) | 功率 (W) | 異常輸出接點容量 (A) | 潤滑時間 | 間歇時間 | 吐出口徑 | 最大吐出壓 (kgf/cm2) | 吐出量 (cc/min) | 壓力開關 (kgf/cm2) | 液位開關 | 油箱容量 (L) | 重量 (kg) | |||||
| YET-C2 | 110 or 220 | 100 | 液位開關 0.3 | 須和PLC控制系統連接 | 須和PLC控制系統連接 | ?6 | 15 | 150 | 無 | 上通電 (有油導通) | 2L (樹脂) | 2.5 | |||||
| 3L (樹脂) | 2.7 | ||||||||||||||||
| YET-C2P2 | 壓力開關 3.0 | 11.5↑off | 4L (樹脂) | 3.0 | |||||||||||||
| 4L (鋁合金) | 3.5 | ||||||||||||||||
接線圖

液壓原理圖

在線電話咨詢:
+86-573-88112730